Проектирование и строительство очистных сооружений
Группа компаний «Транснациональный Экологический Проект» осуществляет проектирование и строительство очистных сооружений сточных вод гальванического и фармацевтического производств от проекта до реализации. Более двадцати лет мы оказываем широкий спектр услуг в сфере очистки сточных вод, водоподготовки и оборудования нанесения гальванических покрытий.
На территории России большая часть очистных сооружений устарела и не обеспечивает качественной очистки промышленных сточных вод до требований ПДК по сбросу в объекты водопользования либо требованиям к установкам оборотного водоснабжения. Многолетний опыт наших экспертов позволит внедрить на Вашем предприятии системы замкнутого водооборота. Базой качества для нас являются Наилучшие доступные технологии Росстандарта.
Очистка сточных вод гальванического производства
Система замкнутого водооборота гальванического производства с оборотным водоснабжением (DIN A2+ для печати)
Выбор технологии очистки сточных вод
Оборотное водоснабжение промышленных предприятий
Вакуум выпарные установки для сточных вод
Очистка сточных вод от тяжелых металлов и взвешенных веществ
В ходе модернизации очистных сооружений гальванического производства мы внедряем технологии электрохимического окисления, мембранного электролиза и обратного осмоса. Комбинирование мембранных технологий и вакуумного выпаривания позволяет строить системы замкнутого водооборота ZLD. Синергетический эффект электрофлотации сточных вод и мембранного концентрирования удаляет ионы тяжелых металлов, таких как хром (Cr), никель (Ni), цинк (Zn), медь (Cu), кадмий (Cd), свинец (Pb), олово (Sn). Цианиды полностью окисляются гипохлоритом натрия в щелочной среде. Озон и ультрафиолет разрушают Поверхностно-активные вещества (ПАВ) и комплексообразователи (тартраты, цитраты и аммиакаты). Современные установки двухступенчатого обратного осмоса и вакуум-выпарные аппараты из титана и супердуплексной стали позволяют создавать рентабельные очистные сооружения без сброса очищенной воды и платы за превышение ПДК. Многоступенчатая очистка позволяет вернуть воду 2-й категории по ГОСТ Р 58431–2019 на повторное использование в гальваническое производство.
Очистка сточных вод фармацевтических производств
Очистка сточных вод предприятий химико-фармацевтической промышленности (DIN A2+ для печати)
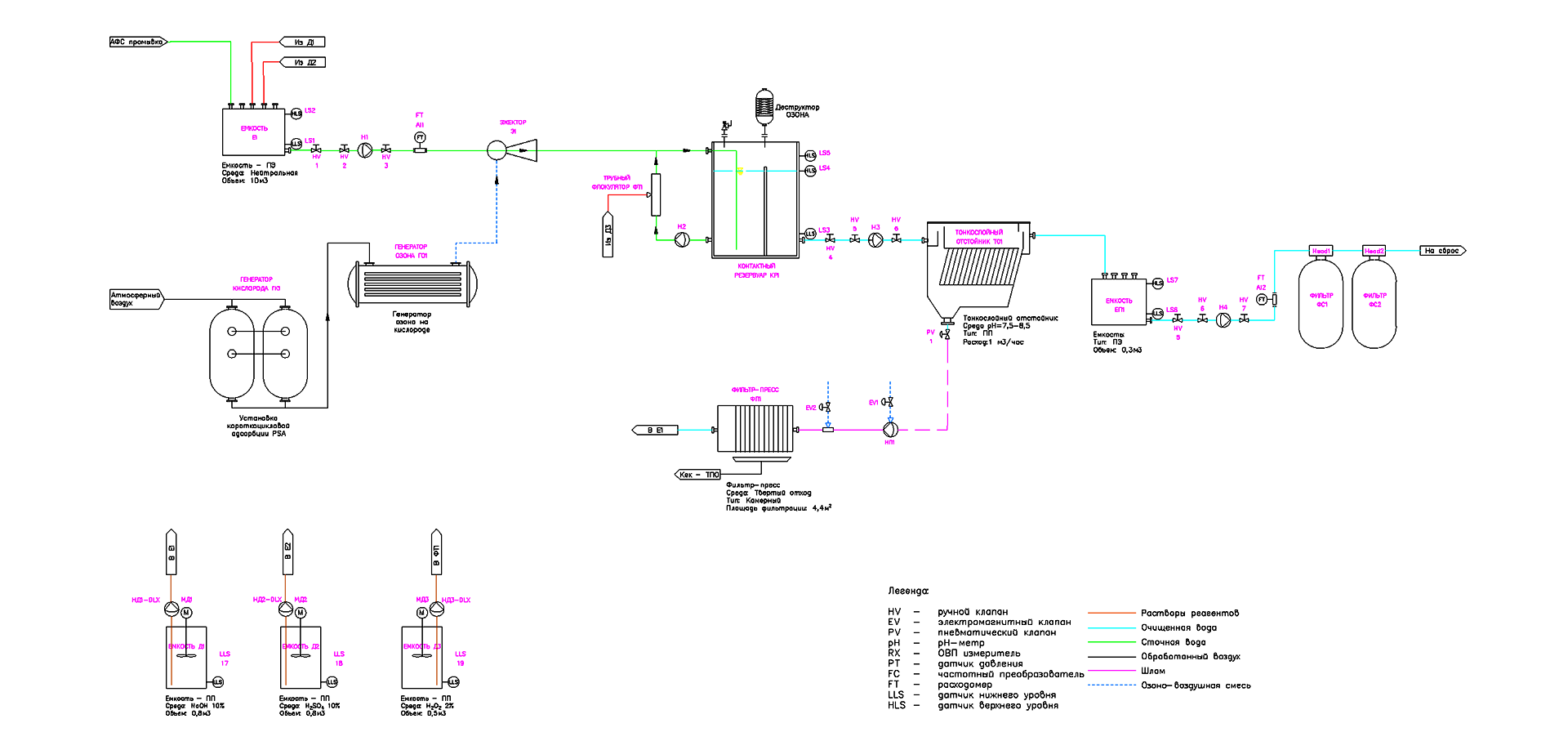
Сточные воды фармацевтических предприятий образуются в процессе химического синтеза и содержат высокую концентрацию органических загрязнителей. Они представляют собой сложные полидисперсные системы с многокомпонентным составом. Одним из основных загрязнителей являются активные фармацевтические субстанции (АФС). Традиционные методы очистки сточных вод зачастую неэффективны при высокой органической нагрузке: ХПК (химическом потребление кислорода ) и БПК (биохимическом потребление кислорода), обусловленной сложным составом сырья и промежуточных продуктов.
Благодаря внедрению технологии интенсивного окисления AOP, основанной на генерации высокоактивных гидроксильных радикалов (•OH), окисляющих сложные органические соединения до простых минеральных веществ, наши очистные сооружения работаю в соответствии с ПП РФ №644. Синергетический эффект озонирования воды в сочетании с ультрафиолетом (O3/UV) и перекисью водорода (O3/H2O2) эффективно разрушает биологически активные соединения, органические растворители, пептиды, антибиотики и комплексообразователи (ЭДТА). Современные установки короткоцикловой адсорбции и генераторы озона позволят проектировать компактные модульные очистные сооружения. Мембранные технологии концентрирования позволяют получать фильтрат, который направляется на производство деионизированной воды для Системы повторного использования в фармацевтических реакторах.
Очистка сточных вод фармацевтического производства
Очистка сточных вод от красителей и пигментов
Очистка стоков производства полупроводниковых приборов
Среди комплексных технологий ГК «Транснациональный Экологический Проект» важное место занимают системы оборотного водоснабжения в промышленности и на объектах ЖКХ. Осуществляется монтаж и ввод в эксплуатацию современных ЛОС и станций водоподготовки. Производится и поставляется оборудование для водоочистки от дисперсных веществ, растворимых солей металлов, высокомолекулярных органических соединений.
Водоподготовка методом озонирования и озоносорбции для Водоканалов
Гальваническое оборудование из высококачественных полимерных и конструкционных материалов.
Очистка сточных вод транспортных предприятий от нефтепродуктов и ПАВ
Оборотное водоснабжение ТЭЦ и ТЭС
Разработка мембранных установок на основе зарубежных композитных ОО и НФ мембран и внедрение их на очистных сооружениях промышленных предприятий, позволяет решать экологические проблемы производств, генерирующих сточные воды сложного состава и создавать на них системы оборотного водоснабжения. Мембранная фильтрация под вакуумом и модернизация мембранных элементов позволили нашим инженерам ГК ТЭП максимально повысить выход фильтрата и увеличивать степень концентрирования исходной жидкости в мембранных установках, исключив проблемы образования осадков малорастворимых солей на мембранах.
ГК «Транснациональный Экологический Проект» поддерживает тесное сотрудничество со специалистами Российского химико-технологического университета им. Д.И. Менделеева. Главная задача проекта состоит в том, чтобы в научно-техническом поиске удержаться на стыке интересов химической и тяжелой промышленности и ноосферы, сохранить теоретическую значимость научных исследований и их практическую применимость, что в конечном итоге обеспечит экологически безопасный путь развития мирового водного хозяйства.





